電話:0577-66996885
傳真:0577-66995778
手機:13353386068
Q Q:2219968630
網址:www.qzsmhotel.cn
地址:浙江省永嘉縣甌北鎮三橋工業區
【FSB型氟塑料合金離心泵】產品簡介:
FSB型氟塑料合金離心泵按國際標準設計,泵體采用金屬外殼內襯聚全氟乙丙烯(F46),泵蓋、葉輪和軸套均用金屬嵌件外包氟塑料整體燒結壓制成型,軸封采用外裝式波紋管機械密封,靜環選用99%氧化鋁陶瓷或氮化硅,動環采用四氟填充材料,耐腐耐磨,適用于輸送任何濃度的硫酸、鹽酸、醋酸、氫氟酸、硝酸、王水、強堿、強氧化劑、有機溶劑、還原劑等苛刻條件的強腐蝕性介質,是目前世界上強耐腐蝕裝備之一。本司產品全部采用計算機設計和優化處理,公司擁有雄厚的技術力量、豐富的生產經驗和完善的檢測手段,從而保證產品質量的穩定可靠。
【FSB型氟塑料合金離心泵】技術參數:
流量:3.6~100m3/h;
揚程:15~55m;
轉速:2900r/min;
功率:1.5~18.5KW;
進口直徑:25~100mm;
適用溫度:-20℃~120℃。
【FSB型氟塑料合金離心泵】型號意義:
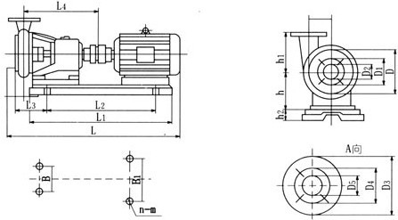
【FSB-D型氟塑料合金離心泵】安裝尺寸圖:
|
規格型號 |
L |
L1 |
L2 |
L3 |
D |
D1 |
D2 |
D3 |
D4 |
D5 |
B |
B1 |
d |
d1 |
h |
h1 |
地腳螺栓 |
|
25FSB-10D |
470 |
220 |
185 |
125 |
100 |
75 |
25 |
110 |
90 |
20 |
180 |
140 |
65 |
155 |
210 |
90 |
4-ф10 |
|
25FSB-18D |
470 |
220 |
185 |
125 |
100 |
75 |
25 |
110 |
90 |
20 |
180 |
140 |
65 |
155 |
210 |
90 |
4-ф10 |
|
40FSB-15D |
540 |
245 |
200 |
125 |
130 |
100 |
40 |
130 |
100 |
32 |
205 |
160 |
80 |
180 |
240 |
100 |
4-ф12 |
|
40FSB-20D |
540 |
245 |
200 |
140 |
130 |
100 |
40 |
130 |
100 |
32 |
205 |
160 |
80 |
180 |
240 |
100 |
4-ф12 |
|
40FSB-30D |
540 |
245 |
200 |
140 |
130 |
100 |
40 |
130 |
100 |
32 |
205 |
160 |
80 |
180 |
240 |
100 |
4-ф12 |
|
50FSB-20D |
540 |
245 |
200 |
140 |
130 |
100 |
50 |
130 |
100 |
40 |
205 |
160 |
80 |
180 |
240 |
100 |
4-ф12 |
|
50FSB-25D |
540 |
245 |
200 |
140 |
130 |
100 |
50 |
130 |
100 |
40 |
205 |
160 |
80 |
180 |
240 |
100 |
4-ф12 |
|
50FSB-30D |
540 |
245 |
200 |
140 |
130 |
100 |
50 |
130 |
100 |
40 |
240 |
190 |
80 |
180 |
240 |
100 |
4-ф12 |
|
65FSB-32D |
720 |
345 |
276 |
140 |
185 |
150 |
65 |
185 |
135 |
50 |
280 |
216 |
95 |
210 |
282 |
100 |
4-ф12 |
|
80FSB-20D |
720 |
345 |
276 |
140 |
185 |
150 |
80 |
185 |
135 |
65 |
280 |
216 |
95 |
210 |
282 |
132 |
4-ф12 |
|
80FSB-30D |
720 |
345 |
276 |
140 |
185 |
150 |
80 |
185 |
135 |
65 |
280 |
216 |
95 |
210 |
282 |
132 |
4-ф12 |
【FSB型氟塑料合金離心泵】拆卸與安裝:
泵的拆卸
1.泵與電機聯接用爪型聯軸器連接,拆卸時先松掉支架與底座的4只連接螺栓.使泵與電機脫開。
2.松開泵體后蓋的連接螺栓.用木柄輕擊泵體脫開。
3.松開葉輪軸與泵軸莫氏錐度連接在連軸器中的吊緊螺栓。
4.松開機械密封動!不固定螺釘,用木錘輕擊連軸器中心吊緊螺栓,葉輪軸與泵軸莫氏錐度松開后拉出葉輪、后蓋、密封件動環.松開后蓋上壓蓋螺釘.取出靜壞。
5.松開泵軸左右壓蓋螺釘.取出泵軸、軸承、清洗支架油室。
裝配
按拆卸的相反順序將密封件動環、靜環、后蓋、壓蓋、葉輪、泵體等裝上緊定螺栓。
【FSB型氟塑料合金離心泵】使用注意事項:安裝及注意事項1.在安裝前應對泵和電機進行檢査,各部分應完好無損,泵內無雜物。
2.將本泵放置水平位置上接上進、出管和接通電源.用手盤動聯軸器.檢査有無碰擦現象.轉動輕松均勻則安裝結束。
3.塑料合金離心泵鋼度較金屬差,故管路重量不能直接壓在泵體上,迸、出口管路應另加支架承受.揚程高的泵在出口還應安裝逆止閥.以防突然停機的水錘破壞。
4.所有接合處必須保持密封.以防漏氣、液影響泵的工作性能。
5.運轉過程中如發現撅動或不正常聲音時.應立即停車檢査原因.故降排除后才能工作。
起動與停車
1.往水泵內注足液體(引液)。
2.檜査支架油室的油位是否在規定范圍內。
3.檢査電動機運轉方向.調看泵的旋轉標記。
4.關閉出口閥門及壓力表旋塞。
5.啟動電機.打開壓力表旋塞.慢慢打開出口閥門,當壓
6.重要停車時,首先關閉出水閥,再切斷電源。
力表指針指到需要的位置時.停止出水閥門大小的調整。
【FSB型氟塑料合金離心泵】性能參數:
|
型號 |
流量(m3/h) |
揚程 |
口徑(mm) |
功率(kw) |
轉速 |
汽蝕余量 |
效率 |
||
|
進口 |
出口 |
軸功率 |
電機功率 |
||||||
|
40FSB-20L |
10 |
20 |
ф40 |
ф32 |
1.4 |
3.0 |
2900 |
3.0 |
45 |
|
40FSB-30L |
10 |
30 |
ф40 |
ф32 |
1.6 |
3.0 |
2900 |
3.0 |
42 |
|
50FSB-25L |
12.5 |
25 |
ф50 |
ф32 |
1.8 |
3.0 |
2900 |
3.0 |
55 |
|
50FSB-30L |
13 |
30 |
ф50 |
ф32 |
1.9 |
3.0 |
2900 |
3.0 |
46 |
|
65FSB-32L |
25 |
32 |
ф65 |
ф50 |
4.7 |
5.5 |
2900 |
3.0 |
65 |
|
80FSB-20L |
50 |
20 |
ф80 |
ф65 |
4.6 |
5.5 |
2900 |
3.0 |
45 |
|
80FSB-25L |
42 |
25 |
ф80 |
ф65 |
5.7 |
7.5 |
2900 |
3.0 |
67 |
|
80FSB-30L |
50 |
30 |
ф80 |
ф65 |
6.9 |
7.5 |
2900 |
3.5 |
68 |
|
80FSB-40L |
45 |
40 |
ф80 |
ф50 |
10 |
11.0 |
2900 |
3.5 |
48 |
|
80FSB-50L |
50 |
50 |
ф80 |
ф50 |
12 |
15.0 |
2900 |
3.5 |
57 |
|
80FSB-55L |
50 |
55 |
ф80 |
ф50 |
13.5 |
18.5 |
2900 |
4.0 |
50 |
|
100FSB-32L |
100 |
32 |
ф100 |
ф80 |
12 |
15.0 |
2900 |
3.5 |
7 |
|
型號 |
流量(m3/h) |
揚程 |
口徑(mm) |
功率(kw) |
轉速 |
汽蝕余量 |
效率 |
||
|
進口 |
出口 |
軸功率 |
電機功率 |
||||||
|
40FSB-15(D) |
5 |
15 |
ф40 |
ф32 |
0.4 |
3.0 |
2900 |
3.0 |
40 |
|
40FSB-20(D) |
10 |
20 |
ф40 |
ф32 |
1.2 |
3.0 |
2900 |
3.0 |
42 |
|
40FSB-30(D) |
10 |
30 |
ф40 |
ф32 |
1.2 |
3.0 |
2900 |
3.0 |
52 |
|
50FSB-20(D) |
12.5 |
20 |
ф50 |
ф32 |
1.5 |
3.0 |
2900 |
3.5 |
55 |
|
50FSB-25(D) |
12.5 |
25 |
ф50 |
ф32 |
1.8 |
3.0 |
2900 |
3.5 |
55 |
|
50FSB-30(D) |
15 |
30 |
ф50 |
ф32 |
1.9 |
3.0 |
2900 |
3.5 |
54 |
|
65FSB-32(D) |
25 |
32 |
ф65 |
ф50 |
3.6 |
5.5 |
2900 |
3.5 |
65 |
|
80FSB-25(D) |
42 |
25 |
ф80 |
ф65 |
3.8 |
7.5 |
2900 |
3.5 |
67 |
|
80FSB-30(D) |
50 |
30 |
ф80 |
ф65 |
6.8 |
7.5 |
2900 |
3.5 |
68 |
故障原因與排除方法:
|
故 障 |
原 因 |
解決方法 |
|
打不出液體 |
1、吸入管內有空氣.迸口阻塞 2、吸上高度太高 3、要求揚程大于泵揚程 4、排出管過細.管路損失過大 5、反轉 |
1 、清理管路,排凈空氣 2 、降低泵安裝高度 3、更換揚程大的泵 4 、換口徑與泵口等大的輸出管 5、改變方向 |
|
流量不足 |
1 、葉輪損壞 2 、 密封件損壞 3、數不足 4、進口管過細 5、出口管彎頭過多,阻力過大 |
1 、更換新葉輪 2 、換密封件 3、增加轉數 4 、按規定重裝管道 5 、重新合理安排管路 |
|
揚程不足 |
1、輸送介質中含有氣體或介質粘度過大 2、葉輪和葉片損壞 3、轉數不足 |
1、降低介質粘度或增加注灌壓力 2、更換葉輪 3 、增加轉數 |
|
軸端滲漏 |
1、機械密封卡環過松 2、軸端卡環過渡尺寸間隙太大 |
1、旋緊卡壞兩只內六角螺釕 2、將泵拆卸,軸、卡擋繞F4生料帶薄膜數圈.緊配合.螺栓旋緊 |
|
密封泄漏嚴重 |
1、密封元件材料選用不當 2、磨瘵付嚴重磨損 3、動靜環吻不勻 4 、磨擦付過大靜環碎裂 |
1、向供泵串位述明介質情況,配適當動靜環 2、更換磨損另件.并調整彈簧壓力,減少磨損 3、密封組合體松卡環鏍栓重新調正位置 4、整泵拆卸.換靜環按要求裝密封組合件與軸垂直度誤差<0.10 |
|
泵內有雜音或泵振動 |
1、泵軸與電機軸不同心 2 、流量超過使用范圍產生氣蝕 3、泵產生氣蝕 4 、電動機與軸承磨損 |
1 、校正泵軸中心 2、選用適當的泵型.按泵使用范圍運轉 3、降低介質的溫度或增加灌注壓力 4、清洗或更換軸承 |
【FSB型氟塑料合金離心泵】產品特點:
FSB型氟塑料合金離心泵具有結構緊湊合理、耐強腐蝕、密封性能嚴密可靠、工作穩定、噪聲低、機械強度高、不老化、無毒素分解、維修方便、流道光滑、效率高,節約能源等優點。杜絕跑、冒、滴、漏,廣泛應用于化工、制酸、制堿、冶煉、稀土、農藥、染料、醫藥、造紙、電鍍、電解、酸洗、無線電、化成箔、科研機構、國防工業等行業。
【FSB型氟塑料合金離心泵】性能曲線圖:
【FSB-D型氟塑料合金離心泵】性能曲線圖:
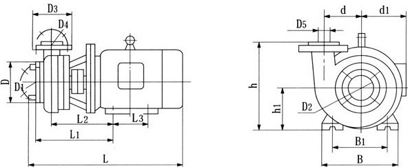
【FSB型氟塑料合金離心泵】安裝尺寸圖:
|
規格型號 |
L |
L1 |
L2 |
L3 |
L4 |
D |
D1 |
D2 |
D3 |
D4 |
D5 |
B |
B1 |
d |
h |
h1 |
h2 |
n-m |
|
25FSB-10 |
940 |
730 |
455 |
130 |
380 |
100 |
75 |
25 |
110 |
90 |
20 |
250 |
310 |
65 |
112 |
130 |
78 |
4-ф18 |
|
25FSB-18 |
940 |
730 |
455 |
130 |
380 |
100 |
75 |
25 |
110 |
90 |
20 |
250 |
310 |
65 |
112 |
130 |
78 |
4-ф18 |
|
40FSB-15 |
940 |
730 |
455 |
130 |
400 |
130 |
100 |
40 |
130 |
100 |
32 |
250 |
310 |
80 |
112 |
130 |
78 |
4-ф18 |
|
40FSB-20 |
940 |
730 |
455 |
130 |
400 |
130 |
100 |
40 |
130 |
100 |
32 |
250 |
310 |
80 |
112 |
130 |
78 |
4-ф18 |
|
40FSB-30 |
940 |
730 |
455 |
130 |
400 |
130 |
100 |
40 |
130 |
100 |
32 |
250 |
310 |
80 |
112 |
130 |
78 |
4-ф18 |
|
40FSB-40 |
940 |
730 |
455 |
130 |
400 |
130 |
100 |
40 |
130 |
100 |
32 |
250 |
310 |
80 |
112 |
130 |
78 |
4-ф18 |
|
50FSB-20 |
940 |
730 |
455 |
130 |
400 |
130 |
100 |
50 |
130 |
100 |
32 |
250 |
310 |
80 |
112 |
130 |
78 |
4-ф18 |
|
50FSB-25 |
940 |
730 |
455 |
130 |
400 |
130 |
100 |
50 |
130 |
100 |
40 |
250 |
310 |
80 |
112 |
130 |
78 |
4-ф18 |
|
50FSB-30 |
940 |
730 |
455 |
130 |
400 |
130 |
100 |
50 |
130 |
100 |
40 |
250 |
310 |
80 |
112 |
130 |
78 |
4-ф18 |
|
50FSB-40 |
1045 |
830 |
560 |
130 |
400 |
130 |
100 |
50 |
130 |
100 |
40 |
250 |
375 |
80 |
112 |
130 |
78 |
4-ф18 |
|
50FSB-50 |
1045 |
830 |
560 |
130 |
400 |
130 |
100 |
50 |
130 |
100 |
40 |
250 |
375 |
80 |
112 |
130 |
78 |
4-ф18 |
|
65FSB-32 |
1045 |
830 |
560 |
240 |
410 |
185 |
135 |
65 |
160 |
135 |
50 |
250 |
375 |
95 |
132 |
150 |
65 |
4-ф18 |
|
65FSB-40 |
1045 |
830 |
560 |
240 |
410 |
185 |
135 |
65 |
160 |
135 |
50 |
250 |
375 |
100 |
132 |
185 |
65 |
4-ф18 |
|
65FSB-50 |
1045 |
830 |
560 |
240 |
410 |
185 |
150 |
65 |
160 |
135 |
50 |
250 |
375 |
100 |
132 |
185 |
65 |
4-ф18 |
|
80FSB-20 |
1045 |
830 |
560 |
240 |
410 |
185 |
150 |
80 |
160 |
135 |
65 |
250 |
375 |
95 |
132 |
150 |
65 |
4-ф18 |
|
80FSB-30 |
1045 |
830 |
560 |
240 |
410 |
185 |
150 |
80 |
160 |
135 |
65 |
250 |
375 |
95 |
132 |
150 |
65 |
4-ф18 |
|
80FSB-34 |
1045 |
830 |
560 |
240 |
410 |
185 |
150 |
80 |
160 |
135 |
65 |
250 |
375 |
95 |
132 |
150 |
65 |
4-ф18 |
|
80FSB-40 |
1045 |
830 |
560 |
240 |
410 |
185 |
150 |
80 |
160 |
135 |
65 |
250 |
375 |
100 |
132 |
185 |
65 |
4-ф18 |
|
80FSB-50 |
1045 |
830 |
560 |
240 |
410 |
185 |
150 |
80 |
160 |
135 |
50 |
250 |
375 |
100 |
132 |
185 |
65 |
4-ф18 |
|
80FSB-55 |
1310 |
970 |
610 |
245 |
500 |
185 |
150 |
80 |
160 |
135 |
65 |
330 |
430 |
110 |
160 |
205 |
100 |
4-ф18 |
|
80FSB-80 |
1310 |
970 |
640 |
245 |
500 |
185 |
150 |
80 |
160 |
135 |
65 |
330 |
430 |
135 |
160 |
205 |
100 |
4-ф18 |
|
100FSB-32 |
1330 |
970 |
640 |
245 |
500 |
185 |
150 |
100 |
160 |
135 |
65 |
330 |
430 |
110 |
160 |
205 |
120 |
4-ф18 |
|
100FSB-50 |
1360 |
970 |
640 |
245 |
500 |
185 |
150 |
100 |
160 |
135 |
65 |
300 |
430 |
110 |
160 |
205 |
160 |
4-ф18 |
【FSB型氟塑料合金離心泵】機械密封:
FSB和FSB-D氟塑料合金離心泵采用目前為先進的外裝式四氟波紋管機械密封,其特點是能補償泵軸的徑向跳動,單端面密封外裝式、易裝卸、工作狀態直觀、耐腐耐磨密封性能好、擁有多層保護,延長了機封使用壽命;對于輸送含雜質顆粒腐蝕性介質時,可配用無冷卻水單端面硬對硬(碳化硅對碳化硅)機械密封,強堿與氫氟酸等特殊腐蝕性介質配用無壓燒結碳化硅密封;用戶選型時需考慮到介質中的固體含量及介質特殊腐蝕性.【FSB型氟塑料合金離心泵】產品圖片:

