采用圓柱形反導葉導流殼的深井離心泵設計計算
發布時間:2014-5-13 14:23:24 來源:海坦泵業 點擊次數:8442
圓柱形反導葉導流殼的形狀和圓柱形葉片的葉輪基本相同,實際上圓柱形反導葉導流殼也屬于節段式導流殼,只不過它取消了正導葉,或者說把正導葉的進口邊退縮到反導葉的進口邊上了。

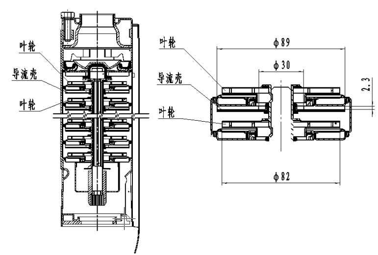
圖2-9圓柱形反導葉井泵


圖2-10圓柱形反導葉的863井泵
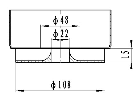
假設這臺泵的葉輪就是863井泵的葉輪,其葉輪直徑是113.5mm,葉輪出口圓周流速vu2=10.21(m/s),而導葉進口直徑是108mm,根據vuR等于常數的理論,可以計算出vu3=vu2D2/D3=10.21*113.5/108=10.73(m/s),再假設導葉片進口寬度b3=15mm,導葉片進口排擠系數ψ3=0.83,就可以計算出導葉片進口軸面流速vm3=Q/(πD3b3ψ3)(m/s)和導葉進口液流角β3'=ATAN(vm3/vu3)=6.99(度),從而確定導葉進口安放角β3=12(度),相當于加了5度沖角。再設定導葉片數量z=6,導葉片厚度s3=2mm,就可以確定導葉片進口排擠系數ψ3=0.83左右,這說明以上的計算是正確的。 導葉片的設計計算也可以用Excel軟件進行,如表2-3所示。
然后根據這些計算值就可以畫出導葉片的座標圖,如圖2-11所示。其中葉片包角和圓弧半徑是隨意的,自己認為好就可以了。

圖2-11導葉片座標圖
根據導葉片座標圖和裝配圖上的導流殼軸面圖,就可以畫出導流殼零件圖了。如圖2-10所示。你們可能注意到,在畫這個葉片時,沒有用方格網設計,這是我把它簡化了,簡化是有條件的,這就是流面基本是平面,這個導流殼的上下流線都在平面內,所以就可以不通過方格網而直接作圖了。既然是在平面上作圖,那就是真實的葉片安放角,為什么要說是簡化畫法呢,那是因為流線還有一小部分是在曲面上,在曲面上的葉片安放角就只有通過方格網來測量了,當然也可以在立體圖中進行測量,比如現在標注的出口安放角60度就不是真實的出口安放角,你們可以畫立體圖進行測量,估計在70度左右。QJ型井用潛水泵(深井泵)
